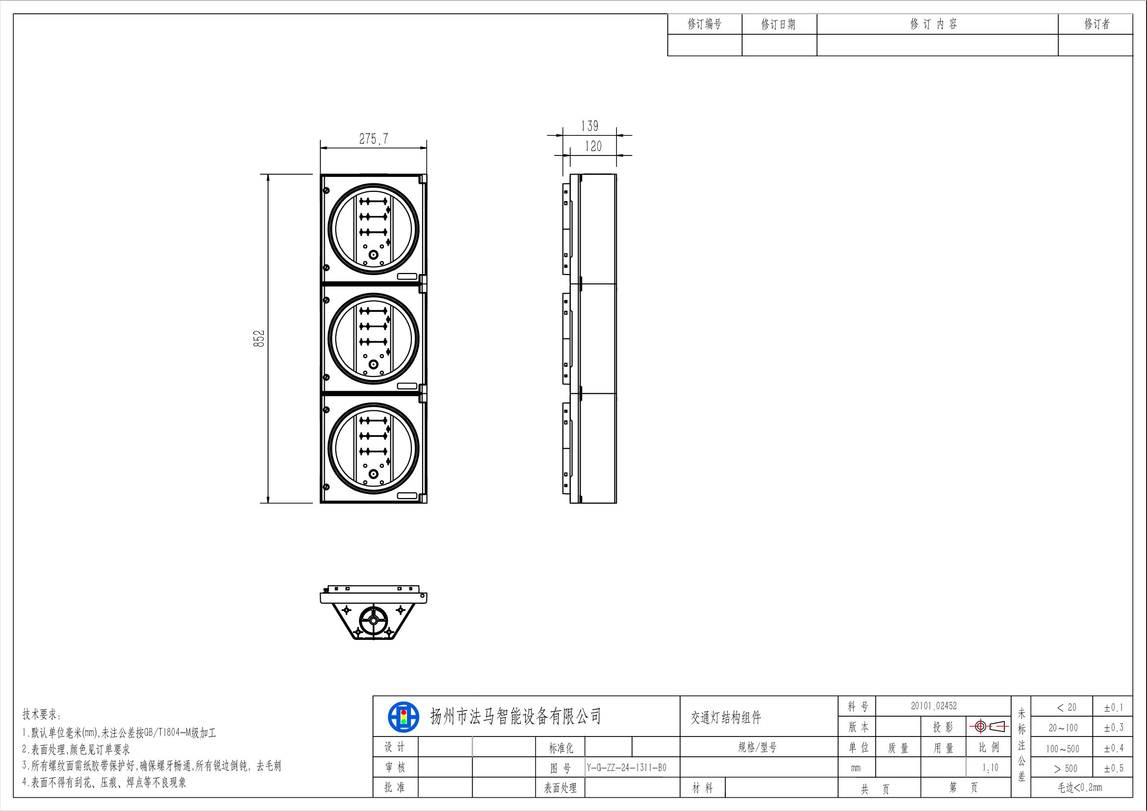
Светофор с высокой светоотдачей, красно-зеленый, с полным шарообразным корпусом (два блока)
Читать далее


